Коли робоче середовище класифікується як вибухонебезпечне, вентиляція перетворюється з питання комфорту на питання абсолютної безпеки та відповідності закону. Саме для таких критичних завдань розроблено канальний радіальний вентилятор Maico ERM Ex e.
Він відповідає найсуворішим вимогам європейської директиви ATEX для обладнання, призначеного для використання у вибухонебезпечних середовищах, зокрема для зон 1 і 2 (газові середовища).
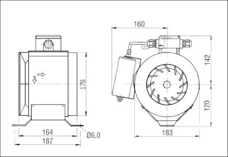
Принцип його роботи заснований на радіально-канальній (напіввідцентровій) технології. На відміну від осьових вентиляторів, які просто проштовхують повітря, радіальний тип створює значно вищий тиск. Вентилятор може працювати в складних, розгалужених системах повітропроводів з високим опором. Повітря забирається вздовж осі, а викидається перпендикулярно, забезпечуючи стабільний і потужний потік для швидкого видалення небезпечних газових сумішей.
Головна особливість цієї моделі — це її конструкція, спрямована на запобігання іскроутворенню. Корпус і крильчатка виготовлені з високоякісного антистатичного (струмопровідного) пластику або спеціальних матеріалів, що гарантує, що тертя або накопичення статичної електрики не призведе до появи іскри, яка може викликати вибух.
Вентилятор спроєктований для прямого монтажу в повітропровід і може встановлюватися в будь-якому положенні. Його компактні розміри роблять його ідеальним для інтеграції в невеликі або обмежені простори. Ступінь захисту IP 64 захищає пристрій від пилу і бризок.
В цілях безпеки регулювання швидкості обертання не здійснюється, рекомендується захищати трубний вентилятор від попадання в них сторонніх частинок ґратами. Встановлювати такі трубні вентилятори можливо в акумуляторних приміщеннях і зонах з небезпекою вибуху. Детальну інформацію Ви можете дізнатися у консультантів AlterAir.
Так. Кожен товар супроводжується гарантійним сертифікатом, і на нього поширюється офіційна гарантія.
Так. Ми здійснюємо доставку товарів перевізниками «Нова пошта» і «Justin» по території України.
Ви можете зробити замовлення онлайн через наш сайт або зв'язатися з нашими операторами за безкоштовним телефоном 0800-33-61-29.
Ми реалізуємо повний комплекс кліматичних систем: вентиляція, кондиціонування, опалення, водопостачання та каналізація, водоочищення, осушення, електропостачання та автоматизація. У чому перевага такого комплексного підходу? Ефективна і легка комунікація фахівців, професіоналізм, більш швидка реалізація систем (ніж у випадку з різними підрядниками), якісна реалізація. Важливий фактор - ми цілком і повністю несемо відповідальність за всі реалізовані кліматичні системи.
Всі системи будуть монтовані згідно з проектною документацією до 1 мм.
Інтеграція всіх систем згідно дизайну і кресленнями, спільне планування.
Першочерговість виконання вашого проекту
Професійний консалтинг ваших клієнтів в шоу-румі
Можливість роботи по проекту під ім'ям вашої компанії
Широкий асортимент обладнання під будь-який дизайн
Максимальні знижки на обладнання, а також обговорення індивідуальних умов співпраці
Вища пріоритетність виконання вашого проекту
Професійно розроблений проект з урахуванням найтонших нюансів
Консультування по загальнобудівельних і архітектурним роботам
Індивідуальні умови роботи
Придбання обладнання за спеціальними цінами
Можливість роботи по проекту під ім'ям вашої компанії
Проведення консультацій по інженерним рішенням в нашому шоурумі
Обговорення та розробка індивідуальних умов для плідної роботи
Спецпропозиція на закупівлю обладнання
Консультування з технічних питань по обладнанню або інженерним рішенням
задоволених клієнтів
зданих об'єктів
корисних оглядів
товарів в магазині




Оставьте свои контакты и наш сотрудник свяжется с Вами в ближайшее время
Компанія "Альтер Ейр" відправляє повністю упаковані товари в заводській комплектації, в комплект поставки обов'язково входить інструкція з експлуатації, чек і гарантійний талон.
Як забрати замовлення:
*Безкоштовна доставка не поширюється на акційні товари, а також товари, куплені в "оплату частинами".
Просимо вас завжди оглядати товар перед тим, як забрати його.
Виберіть зручний для вас спосіб оплати замовлення:
Оплата за товар приймається лише у національній валюті – гривні – за курсом на день оформлення замовлення.
Реквізити для оплати за безготівковим розрахунком дивіться тут.
*Оплата частинами:
Купуйте товар відразу, а сплачуйте пізніше!
Умови:
Важливо! Акційні пропозиції не підсумовуються з оплатою частинами.
Ви можете повернути або обміняти товар протягом 14 днів з моменту його отримання відповідно до Закону України «Про захист прав споживачів» від 12.05.1991 № 1023-XII (Редакція станом на 17.06.2020).
У яких випадках можна повернути або обміняти товар?
сталася помилка при замовленні (не та модель, колір, модифікація);
товар не підійшов (за тех. характеристиками, дизайном);
товар неналежної якості (є дефекти, проблеми з підключенням).
Обов'язкові умови повернення або обміну:
наявність товару – цілого і без слідів використання, заміни деталей;
чек і гарантійний талон;
паспорт або інший документ, що засвідчує особу.
Після того, як ми перевіримо цілісність товару і комплектуючих, ми повернемо вам гроші або обміняємо товар на будь-який інший аналогічної вартості.
Надсилайте ваші запитання через цю форму, ми обов'язково на них відповімо
Сергей МазурИнженер-проектировщик
Оставьте свои данные, и наши менеджеры свяжутся с Вами в течение 10 минут
Надішліть інформацію за своїм об'єктом і фахівці Альтер Ейр підберуть оптимальне інженерне рішення. Ми обов'язково зв'яжемося з Вами найближчим часом і проговоримо всі нюанси, щоб точно зрозуміти Ваші потреби та уподобання. Рекомендуємо відразу прикріпити план Вашого приміщення - це спростить і прискорить процес комунікації, адже інженер зможе провести консультацію не наосліп, а відразу за візуальним сприйняттям Вашого будинку або квартири.
Сергій МазурІнженер-проєктувальник